ABS MRE Sensors Check

Модератор: alflash

Отметьте желательные возможности MRE Tester

Можно выбрать до 8 вариантов ответа

 
 
Результаты голосования

alfa
Сообщения: 519
Зарегистрирован: 09 сен 2015, 22:40

ABS MRE Sensors Check

Сообщение alfa »

Извиняюсь за орфографию, т.к. постараюсь быстро. Первый был Nissan X-Trail, задний левый датчик обрыв или кз. Владелец сам купил дёшево датчик и тут загорелась новая беда, С1115. Блоку не понравился сигнал. Я и грешил на некачественный датчик, авто забрали, дальше не знаю. Вторая серия, решил съездить на шабашку)), там финик JNRAS08W07X202085 , в блоке ABS висит С1115, сбрасываю, проезжает метров 50 и перестаёт во обще ехать. Залез в 4WD, там С1203, в мозгу Р1564. До меня много кто лазил, катались со сканерами, не нашли. Понимаю,что будет кривой сигнал, придётся цепляться осциллоскопом. Вопрос, ксть ли на финик схема ABS, хотя бы попробовать на разъёме блока. И у меня ослик не автономный,в придачу привязан к стационару.
Аватара пользователя
alflash
Сообщения: 4214
Зарегистрирован: 18 фев 2007, 21:46
Откуда: Одесса
Контактная информация:

Re: Nissan и ABS

Сообщение alflash »

Стрёмная машинка...
Но тем не менее,Поскольку предполагаю, что датчики токовые (MRE), то возможно для их проверки (вольтметром/осциллографом) потребуется такой прибамбас: http://alflash.com.ua/2012/mreF.pdf и будет полезны стр. 16-19 из http://alflash.com.ua/2012/ckp_cmp_s/

p.s. Примечание. После ремонта ABC
  • Make sure that ABS warning lamp turns OFF by driving for a minute at vehicle speed of 30 km/h (19 MPH) or more after turning ignition switch “OFF” if AWD warning lamp turns ON with system malfunction of “ABS SYSTEM [C1203]”. AWD
alfa
Сообщения: 519
Зарегистрирован: 09 сен 2015, 22:40

Re: Nissan и ABS

Сообщение alfa »

alflash писал(а):Стрёмная машинка...
Согласен, пробилась, но по Американской базе.
alflash писал(а): потребуется такой прибамбас:
Спасибо, попробую изучить.

Ничё пока не понял, где такую приблуду взять?
Аватара пользователя
alflash
Сообщения: 4214
Зарегистрирован: 18 фев 2007, 21:46
Откуда: Одесса
Контактная информация:

Re: Nissan и ABS

Сообщение alflash »

Авто уже успело "отметиться" и в Украине... Он на номерах АА 8808 СК*?
alfa писал(а):Ничё пока не понял, где такую приблуду взять?
Сделать самому, поскольку она проста как "два пальца..." :)
mre.gif
mre.gif (12.58 КБ) 135900 просмотров
И с её помощью можно проверить ток таких датчиков с помощью осциллографа или простого вольтметра.

При случае, типа заодно, можно сделать и несложный "эмулятор", как это сделал AVTEL* (http://autodata.ru/article/praktika_remonta/nissan_pathfinder_2007_mre_sensor/)
+

* С учетом назначения, в качестве ключа стоит использовать полевик поскромнее, например, 2N7000 ($0,1).

* https://setam.net.ua/public/images/general/2016/03/18/20160318145115-8855.jpg
alfa
Сообщения: 519
Зарегистрирован: 09 сен 2015, 22:40

Re: Nissan и ABS

Сообщение alfa »

Эмулятор, да, согласен пригодится, когда понимать цепь или датчик. Но тут надо въехать,датчик,ступица(подшипник) или плохой контакт. А главное какое колесо. С1115не показывает в какую сторону нужно копать.
Аватара пользователя
alflash
Сообщения: 4214
Зарегистрирован: 18 фев 2007, 21:46
Откуда: Одесса
Контактная информация:

Re: Nissan и ABS

Сообщение alflash »

alfa писал(а):Эмулятор, да, согласен пригодится, когда понимать цепь или датчик. Но тут надо въехать,датчик,ступица(подшипник) или плохой контакт. А главное какое колесо. С1115не показывает в какую сторону нужно копать.
"В какую сторону копать" поскажет диагн. сканер, значениями параметров FR RH SENSOR, FR LH SENSOR, RR RH SENSOR, RR LH SENSOR.
Примечание.
brc.pdf писал(а):RR RH SENSOR- 2 [C1105].
ABS actuator and electric unit (control unit) can not identify sensor pulses, because of large gap between wheel sensor and sensor rotor.
Там же и описаны проверки проводки и напряжения питания датчиков (стр.BRC-36, BRC-37).
Проверка осциллографом/вольтметром) напряжения "подозрительного" - позволит поставить окончательный диагноз.

"Эмулятор" предназначен для проверки проводки, но её можно выполнить и омметром. Как по мне, приспособление для проверки (напряжения) датчика вольтметром/осциллографом, мало что на порядок проще, так ещё и более востребовано.
Нагрузочный резистор с шунтирующим конденсатором для подавления в.ч. помех и цепь питания с миниимальной защитой от перенапряжения и пульсаций.
За время обмена сообщениями в этой теме, его уже можно было и "спаять" и не один раз :)

Для пущей важности можно запитать датчик не от "родного разъема (не от его контактов V+ и V-), а от внешнего источника, например, используя параметрический стабилизатор (токозадающее сопротивление R и стабилитрон D2):
mre_a.gif
mre_a.gif (11.92 КБ) 135900 просмотров
alfa
Сообщения: 519
Зарегистрирован: 09 сен 2015, 22:40

Re: Nissan и ABS

Сообщение alfa »

alflash писал(а):За время обмена сообщения его уже можно было и "спаять"
У меня паяльник очень долго греется. А про детальки надо подумать, купить, потом красиво спаять, блин целый процесс.
Аватара пользователя
alflash
Сообщения: 4214
Зарегистрирован: 18 фев 2007, 21:46
Откуда: Одесса
Контактная информация:

Re: Nissan и ABS

Сообщение alflash »

alfa писал(а):
alflash писал(а):За время обмена сообщения его уже можно было и "спаять"
У меня паяльник очень долго греется. А про детальки надо подумать, купить, потом красиво спаять, блин целый процесс.
"– А за десять дней сможешь?
Степан аж крякнул:
– Ну, барин, тут тогда самому не справиться. Помощник нужен. Хомо сапиенс!
"
:mrgreen:
Караваевы дачи (https://www.google.com.ua/maps/place/Ka ... 6771?hl=en) далеко?
alfa
Сообщения: 519
Зарегистрирован: 09 сен 2015, 22:40

Re: Nissan и ABS

Сообщение alfa »

Дачи рядом, даже стыдно как рядом. Для такого дела можно даже ноги не бить,а гонца послать. Перечень деталей пишите,самых лучших и дорогих. А про Караваевые дачи могу рассказать, гнидник ещё тот на 1Га. 3-4 точки с разницей в 100%, остальные непонятно,что и как.Там можно с ориентироваться только если знаешь осортимент и мозжечок для того что бы не потерятьсяв пространстве и не зарулить на вторые этажи. Кстати, там не плохие три точки по китайским телефонам и пару десяок точек по оптовой перевалке китайского непотреба. Петрович, самое удивительное,что всё идет с Ильичовска-Одессы.Нооо, там растаможить не могут, таки Миша дал звездюлей, поэтому в контейнерах грузят к примеру в места типа Чернигова-Сумм, где не ступала нога грузина, и там брокеры растамаживают
Аватара пользователя
alflash
Сообщения: 4214
Зарегистрирован: 18 фев 2007, 21:46
Откуда: Одесса
Контактная информация:

Re: Nissan и ABS (MRE Sensors Checking)

Сообщение alflash »

alfa писал(а):Дачи рядом, даже стыдно как рядом. Для такого дела можно даже ноги не бить,а гонца послать. Перечень деталей пишите,самых лучших и дорогих...
    • "Раз пошла такаая пьянка, режь последний огурец!" :)
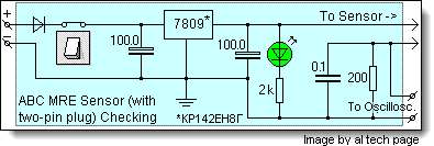
Вместо параметрического стабилизатора - обычный; + СД + выключатель
Self-made device for ABC MRE Sensors Checking
Self-made device for ABC MRE Sensors Checking
t.gif (4.93 КБ) 135875 просмотров
alfa
Сообщения: 519
Зарегистрирован: 09 сен 2015, 22:40

Re: Nissan и ABS

Сообщение alfa »

Спасибо, как всегда информативно и понятно. Я всё равно не успею сделать до встречи с автосом. Поэтому сначала попробую сканером на подъёмнике вычислить колесо(сторону). А эмулем и проверкой загорелся.
Аватара пользователя
alflash
Сообщения: 4214
Зарегистрирован: 18 фев 2007, 21:46
Откуда: Одесса
Контактная информация:

"Я его слепила из того, что было...":ABC MRE Sensors Checker

Сообщение alflash »

Поскольку ожидание результатов "встречи" затянулось, развлеку публику фотками уже готового девайса, типа "ABC MRE Sensors Checker", слепленного из того, что было под руками.
Стиль исполнения: Ретро :)
Изображение,Изображение,Изображение

p.s. Примечание для критиканов.
Этой простой до нельзя девайс позволяет
а) проверить работоспособность самого 2-контактного MRE датчика (с помощью простого вольтметра и/или осциллографа). И при этом НЕ надо резать провода (что рекомендуют иные "спецы") и подключать в разрыв миллиамперметр. Обычные токовые клещи НЕ в состоянии достоверно измерять токи в несколько десятко мА,
б) его сложность - на уровне "лепится на коленке и за пару часов" и любой чел, знающий с какой стороны брать паяльник, спокойно его сделает "за пять минут и без всяких фокусов",
в) себестоимость - меньше не бывает,
г) напомню. что в девайсе есть устройство питания датчика. что позволяет его автономную проверку, т.е. при снятом разъеме проводки авто.

Напоминание любителям "мерять" сопротивление таких датчиков:
2-pin Nissan MRE Sensors Checker
2-pin Nissan MRE Sensors Checker
и фотка "дилерского" устройства для проверки таких датчиков.
Сравнение сложности, возможных цен и доступности приобретения должно убедить оппонентов в необходимости описанного простейшего самопального устройства для достоверно и быстрой проверки этих датчиков.
Аватара пользователя
END
Сообщения: 246
Зарегистрирован: 17 май 2011, 02:37
Откуда: Иркутск

Re: Nissan и ABS

Сообщение END »

Владимир Петрович - доброго.
Я бы с удовольствием прикупил из под ваших рук такой прибамбас,хоть и паяльник у меня "не кислый",но теории для ваяния не хватает..:-)) ...
Не испортив дело мастером не будешь...
alfa
Сообщения: 519
Зарегистрирован: 09 сен 2015, 22:40

Re: Nissan и ABS (Off)

Сообщение alfa »

Владимир Петрович, я бы с радостью, спекули-перекупы даже два раза созванивались, этот народец ушлый просчитал наверное стоимость датчика или ступицы и в сумме затрат, наверное стоимость попустил и авто ушло или не знаю где пропало. Но есть ещё нисан, после замены датчика за 700грн получили С1115...
alfa
Сообщения: 519
Зарегистрирован: 09 сен 2015, 22:40

Re: Nissan и ABS

Сообщение alfa »

Владимир Петрович, а какого девайса? У меня есть имитатор сигналов от Вышиванного Владимира, поэтому все адаптеры под него будут делаться.
Аватара пользователя
alflash
Сообщения: 4214
Зарегистрирован: 18 фев 2007, 21:46
Откуда: Одесса
Контактная информация:

Re: Nissan и ABS

Сообщение alflash »

alfa писал(а):Владимир Петрович, а какого девайса? У меня есть имитатор сигналов от Вышиванного Владимира, поэтому все адаптеры под него будут делаться.
Как я понял из вашего вопроса "Ничё пока не понял, где такую приблуду взять?", у Вас небыло "приблуды" для подключения вольтметра или осциллографа, с помощью которой можно проверять выходной ток 2-х контактных датчиков ABC (MRE type).
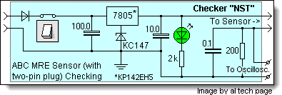
Например, такой простенький как этот:
MRE 2-pin ABC Speed Sensor Checker
MRE 2-pin ABC Speed Sensor Checker
t1.gif (5.12 КБ) 135749 просмотров
и с ценой комплектующих гривен 10.

Из вашего сообщения "Для такого дела можно даже ноги не бить,а гонца послать. Перечень деталей пишите,самых лучших и дорогих" я понял, что Вы собирались его сделать.
О каком еще "адаптере" Вы пишете - совершенно не понимаю, т.к. это устройство не столько для удобства подключения, сколько проеобразователь выходного тока таких датчиков в напряжение. И его применение позволяет быстро и эффективно проверить сам датчикпри при снятом разъеме проводки.
Цель применения имитатора датчика - другая и заключается в проверке проводки и реакции БУ на ток, похожий на тот, что от исправного датчика.
Другими словами, эти девайсы не альтернатива друг другу, а дополнение один к другому и, повторюсь, они решают разные задачи.

Просто вопрос. Тот имитатор. что у Вас есть формирует на выходе напряжение или "токовую" ступеньку, т.е. его выходной транзистор источник тока или напряжения?
Если источник тока, то его значения для обеих "ступенек"?

Update.
alfa писал(а):... Там пофиг направление, датчики считают скорость как вперед,так и назад....
"Пофиг" не всем и не всегда.
Например, некоторые Toyota MRE sensors различают направление вращения
Изображение
Подробнее см. в видео из http://alflash.com.ua/mre.htm
alfa
Сообщения: 519
Зарегистрирован: 09 сен 2015, 22:40

Re: Nissan и ABS

Сообщение alfa »

Обязательно выложу, сей девайс будет достоин, обещаю.
alfa
Сообщения: 519
Зарегистрирован: 09 сен 2015, 22:40

Re: Nissan и ABS Sensor

Сообщение alfa »

Пришел нисан с заменённым датчиком и С1115. Поставил авто на подъёмник из параметров вывел в графике задние два колеса и давай её гонять. Когда скорость без газа примерно 6-8 км по ЛЗ видно иногда проседает, как будто зубец. При большей скорости зубец глубже и примерно на 20км/ч заносится код. Если газнуть резко до 20 км\ч, то код не успевает возникнуть,соответственно пилки нет. Сказал снимать ступицу для посмотреть, когда это будет не знаю, продолжение должно быть.
Ответить