Toyota RAV4 2012 нет запуска
Модератор: alflash
- Marcinkevich
- Сообщения: 303
- Зарегистрирован: 05 янв 2016, 18:31
- Откуда: Ханты-Мансийск
Toyota RAV4 2012 нет запуска
Доброго всем дня!
Toyota RAV4, JTMBE31V60D, 3ZRFAE. Установлена сигнализация Pandora. А также спутниковая Cobra.
Перестала включаться приборная панель, перестал запускаться ДВС. При нажатии на кнопку старт включается магнитола, происходит разблокировка руля, включаются часы и всё. При нажатии на тормоз кнопка меняет свой цвет на зеленый, разрешая тем самым запуск. Самое интересное: с автозапуска авто заводиться и горит приборка. Стоит нажать тормоз - логично глохнет и дальше никак. Понимаю что вопрос может показаться глуповатым, но с такими системами как кнопка Старт-Стоп дела никогда не имел, так же как с сигнализациями, тем более спутниковыми (я сторонник всего штатного и все эти варварские манипуляции с машиной очень не люблю).
Что сделал:
Поменял батарейку в спутниковой, метка моргает как положено. В смарт-ключе батарейку тоже заменил.
Сейчас определяю точки врезки сигналки. Склоняюсь с ключу который на руках, потому как без домашнего ключа машина запускается с сигнализации прекрасно. Через несколько попыток высвечивает надпись - "не найден ключ." Но происходит это не всегда и даже редко. Кнопки на пульте авто закрывают и открывают.
Вопрос: Нужна электросхема кнопки запуск и т.д. Благодарю!
Toyota RAV4, JTMBE31V60D, 3ZRFAE. Установлена сигнализация Pandora. А также спутниковая Cobra.
Перестала включаться приборная панель, перестал запускаться ДВС. При нажатии на кнопку старт включается магнитола, происходит разблокировка руля, включаются часы и всё. При нажатии на тормоз кнопка меняет свой цвет на зеленый, разрешая тем самым запуск. Самое интересное: с автозапуска авто заводиться и горит приборка. Стоит нажать тормоз - логично глохнет и дальше никак. Понимаю что вопрос может показаться глуповатым, но с такими системами как кнопка Старт-Стоп дела никогда не имел, так же как с сигнализациями, тем более спутниковыми (я сторонник всего штатного и все эти варварские манипуляции с машиной очень не люблю).
Что сделал:
Поменял батарейку в спутниковой, метка моргает как положено. В смарт-ключе батарейку тоже заменил.
Сейчас определяю точки врезки сигналки. Склоняюсь с ключу который на руках, потому как без домашнего ключа машина запускается с сигнализации прекрасно. Через несколько попыток высвечивает надпись - "не найден ключ." Но происходит это не всегда и даже редко. Кнопки на пульте авто закрывают и открывают.
Вопрос: Нужна электросхема кнопки запуск и т.д. Благодарю!
Re: Toyota RAV4 2012 нет запуска
Возможно "обходчик" нештатной сигнализации перестал коммутироваться на работу со "штатной" рамкой. (Хотя разрешение загорается?)
Но это зависит от сх. подключения нештатной "рамки" (бывает, делают переключение, а не рамку с верху на штатную)
Ну и выхода сигналки непосредственно на кнопку.
PDF , не пандора, но многие пользуют для подключения различных сигналок.
Да и неисправности по иммо почитать.
Но это зависит от сх. подключения нештатной "рамки" (бывает, делают переключение, а не рамку с верху на штатную)
Ну и выхода сигналки непосредственно на кнопку.
PDF , не пандора, но многие пользуют для подключения различных сигналок.
Да и неисправности по иммо почитать.
"Понедельник начинается в Субботу"
А. и Б. Стругатские
А. и Б. Стругатские
Re: Toyota RAV4 2012 нет запуска
1. Все "стопы" исправны?Marcinkevich писал(а):... Вопрос: Нужна электросхема кнопки запуск и т.д. Благодарю!
Лог (.TSE в архиве) Body / Entry&Start / Data List?
Коды неисправности?
Для справки.
Работа с функцией посадки
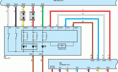
Когда водитель (или пассажир), имеющий при себе ключ, садится в автомобиль и нажимает педаль тормоза *1 (педаль сцепления *2) при нажатом выключателе зажигания, главный ЭБУ кузова определяет начало процедуры запуска двигателя и направляет на ЭБУ сертификации сигнал запроса сертификации. После получения этого сигнала запроса сертификации ЭБУ сертификации направляет сигнал запроса на внутренний генератор электронного ключа. После получения сигнала запроса внутренний генератор электронного ключа направляет сигнал запроса с целью определить, находится ли ключ в салоне автомобиля. Получив этот сигнал запроса, ключ направляет на приемник системы управления дверью ответ в виде идентификационного кода, содержащий код отклика. После получения этого идентификационного кода ЭБУ сертификации выполняет его анализ. Если внутренняя сертификация выполняется успешно, ЭБУ сертификации направляет ответный сигнал о прохождении сертификации. Когда главный ЭБУ кузова получает этот сигнал, включается размыкающее реле ACC, а затем по очереди включаются реле IG1 и IG2. В этот момент горит зеленый индикатор включения двигателя. Затем ЭБУ сертификации проверяет изменение режима работы источника питания и направляет на главный ЭБУ кузова управляющий сигнал разблокировки рулевого управления. После получения этого сигнала главный ЭБУ кузова подает питание на ECU блокировки рулевого управления. Затем ЭБУ блокировки рулевого управления (через блок идентификационного кода) подтверждает, что ЭБУ сертификации проверил управляющий сигнал разблокировки рулевого управления, и с помощью привода рулевого управления разблокирует механизм рулевого управления. После разблокировки механизма блокировки рулевого управления на ЭБУ сертификации подается сигнал о завершении разблокировки. Получив этот сигнал, ЭБУ сертификации направляет в блок идентификационного кода команду на выключение. После получения этого сигнала блок идентификационного кода удостоверяется в том, что ЭБУ сертификации проверил управляющий сигнал выключения, и направляет на ECM управляющий сигнал выключения иммобилайзера.
*1: За исключением моделей с механической трансмиссией
*2: Для моделей с механической трансмиссией
- Marcinkevich
- Сообщения: 303
- Зарегистрирован: 05 янв 2016, 18:31
- Откуда: Ханты-Мансийск
Re: Toyota RAV4 2012 нет запуска
1. Рамки в данном авто нет. Стоит безключевой обходчик, т.е. чипа в панели нет.
2. При нахождении смарт-ключа в салоне индикатор кнопки старт-стоп горит зеленым, стоит смарт-ключ вытащить в окно, то кнопка начинает гореть желтым - хороший признак того что ключ видит.
3. Блокиратор рулевой колонки разблокирует ключ при нажатии на кнопку запуска - тоже хороший признак.
4. Климат-контроль работает, магнитола тоже. В общем все адекватно кроме работы приборной панели и запуска двс.
5. Стопы горят все. При нажатии на педаль тормоза кнопка запуска меняет цвет с оранжевого на зеленый - тоже хороший признак.
6. TechStream смогу подцепить только завтра. А вот мультимарочник авто не взял, хотя должен точно. Питание +12В в колодке диагностики есть. А вот Кана мне кажется нет. Но TS буду пробовать.
7. Успел добраться только до блока сигнализации за приборкой и кнопки. Теперь остается понять принцип работы системы и начать проверки.
8. По выложенной схеме интересует Power Source System. Буду начинать с этого, что есть, а чего нет.
Пока так...
2. При нахождении смарт-ключа в салоне индикатор кнопки старт-стоп горит зеленым, стоит смарт-ключ вытащить в окно, то кнопка начинает гореть желтым - хороший признак того что ключ видит.
3. Блокиратор рулевой колонки разблокирует ключ при нажатии на кнопку запуска - тоже хороший признак.
4. Климат-контроль работает, магнитола тоже. В общем все адекватно кроме работы приборной панели и запуска двс.
5. Стопы горят все. При нажатии на педаль тормоза кнопка запуска меняет цвет с оранжевого на зеленый - тоже хороший признак.
6. TechStream смогу подцепить только завтра. А вот мультимарочник авто не взял, хотя должен точно. Питание +12В в колодке диагностики есть. А вот Кана мне кажется нет. Но TS буду пробовать.
7. Успел добраться только до блока сигнализации за приборкой и кнопки. Теперь остается понять принцип работы системы и начать проверки.
8. По выложенной схеме интересует Power Source System. Буду начинать с этого, что есть, а чего нет.
Пока так...
Re: Toyota RAV4 2012 нет запуска
"Поведение" зуммера и светового сигнализатора кнопочного выключателя запуска ("моргает" ли и в какой ситуации)?
- Marcinkevich
- Сообщения: 303
- Зарегистрирован: 05 янв 2016, 18:31
- Откуда: Ханты-Мансийск
Re: Toyota RAV4 2012 нет запуска
1. Открываем дверь, сел в авто. Лампа Security моргает 1 раз в 2 сек. Кнопка старт-стоп не горит. Причем на самом ключе после закрытия двери светодиод моргает 1 раз в 5 сек. и причем СЕМЬ раз и потом перестает. Стоит только открыть дверь светодиод на ключе опять начинает моргать СЕМЬ раз и опять перестает.alflash писал(а): "Поведение" зуммера и светового сигнализатора кнопочного выключателя запуска ("моргает" ли и в какой ситуации)?
2. Нажимаем кнопку старт-стоп один раз. Индикатор кнопки старт-стоп загорается оранжевым. Происходит разблокировка руля. Лампа Security перестает моргать. Но приборка не горит. Стоит только открыть дверь, на приборке просыпается инфо-табло и загорается надпись дверь открыта, начинает пищать зуммер.
3. Нажимаем кнопку старт-стоп еще раз. За приборной панелью слышно как щелкает несколько реле и больше ничего не происходит. Приборка так и не горит. Запуска нет.
При всех трех пунктах при нажатии на педаль тормоза кнопка запуска меняет свой цвет на зеленый. Стоит только вытащить ключ в окно, кнопка запуска перестает загораться зеленым - просто не горит.
Пока так.
TechSteam не соединяется с авто, так же как и мультимарочник.
- Marcinkevich
- Сообщения: 303
- Зарегистрирован: 05 янв 2016, 18:31
- Откуда: Ханты-Мансийск
Re: Toyota RAV4 2012 нет запуска
Результаты этой проверки viewtopic.php?f=16&t=647#p5028 ?Marcinkevich писал(а):Сообщение TS 10.30.029 при попытке коннекта.
Нет ли следов/признаков вмешательства в провода контактов DLC3*?
Регион "Other"?
Model-code ZSA30L-BWXGPW?
С БУ других систем есть контакт?
Лог попытки контакта?
"Мигания" индикатора длится 15 сек?
- Вложения
-
- * RAV4 ZSA30 DLC3
- dlc3.gif (2.91 КБ) 40147 просмотров
- Marcinkevich
- Сообщения: 303
- Зарегистрирован: 05 янв 2016, 18:31
- Откуда: Ханты-Мансийск
Re: Toyota RAV4 2012 нет запуска
Нет ли следов/признаков вмешательства в провода контактов DLC3*? - проверяю.
Регион "Other"? - да
Model-code ZSA30L-BWXGPW? - верно
С БУ других систем есть контакт? - как это проверить? Мультимарочник не конектится в принципе. TS аналогично.
Лог попытки контакта? - не знаю как это делается к сожалению.
Регион "Other"? - да
Model-code ZSA30L-BWXGPW? - верно
С БУ других систем есть контакт? - как это проверить? Мультимарочник не конектится в принципе. TS аналогично.
Лог попытки контакта? - не знаю как это делается к сожалению.
Re: Toyota RAV4 2012 нет запуска
Процкдура записи логов в viewtopic.php?f=16&t=350&start=120#p8208Marcinkevich писал(а):Нет ли следов/признаков вмешательства в провода контактов DLC3*? - проверяю.
С БУ других систем есть контакт? - как это проверить? Мультимарочник не конектится в принципе. TS аналогично.
Лог попытки контакта? - не знаю как это делается к сожалению.
Проверьте сопротивление между контактами DLC3 No.6 и 14 (примерно 60 Ом) и вольтметром напряжение на них..
Цвета проводов задействованных контактов диагност. разъема (№ vs. Colour)?
В "Bus Check" (проверка шин) не отображается "Engine" (двигатель) или какой другой блок?
- Вложения
-
CANcheck.pdf- Проверка CAN-шины
- (149.4 КБ) 671 скачивание
-
CANcheck2.pdf- (173.64 КБ) 596 скачиваний
- Marcinkevich
- Сообщения: 303
- Зарегистрирован: 05 янв 2016, 18:31
- Откуда: Ханты-Мансийск
Re: Toyota RAV4 2012 нет запуска
Вышеописанное сделаю сейчас. Думаю попробовать соединение когда автомобиль запуститься с автозапуска. Буду сидеть в авто и пробовать соединение с работающим двс.
- Marcinkevich
- Сообщения: 303
- Зарегистрирован: 05 янв 2016, 18:31
- Откуда: Ханты-Мансийск
Re: Toyota RAV4 2012 нет запуска
14 - белый = 2.38В
6 - черный = 2.69В
4 - коричневый = 0.01В
5 - коричневый = 0.00В
7 - белый = 0.00В
9 - серый = 0.00В
12 - красный = 10.48В
13 - зеленый = 0.05В
16 - синий = 12.00В
Всё относительно массы кузова.
Теперь самое интересное - сел в авто, закрыл на сигналку, завел с автозапуска. Есть коннект с блоками.
6 - черный = 2.69В
4 - коричневый = 0.01В
5 - коричневый = 0.00В
7 - белый = 0.00В
9 - серый = 0.00В
12 - красный = 10.48В
13 - зеленый = 0.05В
16 - синий = 12.00В
Всё относительно массы кузова.
Теперь самое интересное - сел в авто, закрыл на сигналку, завел с автозапуска. Есть коннект с блоками.
- Marcinkevich
- Сообщения: 303
- Зарегистрирован: 05 янв 2016, 18:31
- Откуда: Ханты-Мансийск
Re: Toyota RAV4 2012 нет запуска
Это данные когда "все ок" или когдаMarcinkevich писал(а):14 - белый = 2.38В
6 - черный = 2.69В
4 - коричневый = 0.01В
5 - коричневый = 0.00В
7 - белый = 0.00В
9 - серый = 0.00В
12 - красный = 10.48В
13 - зеленый = 0.05В*
16 - синий = 12.00В
Теперь самое интересное - сел в авто, закрыл на сигналку, завел с автозапуска. Есть коннект с блоками.
?
Лог "контактов" с БУ (Engine, Entry @ Start и др.)?
* При "замок зажигания в положении ON (ВКЛ)" напряжение на контакте No.13 (Tc) lдолжно быть 11-14 В (см. вложение) p.s. Поведение индикатора SRS при заведенном двигателе?
- Marcinkevich
- Сообщения: 303
- Зарегистрирован: 05 янв 2016, 18:31
- Откуда: Ханты-Мансийск
Re: Toyota RAV4 2012 нет запуска
Это значения напряжения при включенном зажигании, именно тогда когда нет связи с автомобилем вообще, и именно тогда и сделан тест Cable Check. Как только авто закрыто и заведено с автозапуска при прохождении теста кан-шина отвечает и горит в утилите зеленым - соответственно именно тогда и сделан тест здоровья, т.е. на заведенном автомобиле. Но стоит заглушить - опять не горит приборка, нет запуска и нет диагностики.alflash писал(а):Это данные когда "все ок" или когдаMarcinkevich писал(а):14 - белый = 2.38В
6 - черный = 2.69В
4 - коричневый = 0.01В
5 - коричневый = 0.00В
7 - белый = 0.00В
9 - серый = 0.00В
12 - красный = 10.48В
13 - зеленый = 0.05В
16 - синий = 12.00В
Теперь самое интересное - сел в авто, закрыл на сигналку, завел с автозапуска. Есть коннект с блоками.
?
Лог "контактов" с БУ (Engine, Entry @ Start и др.)?
Что еще обнаружил - при одной из попыток запуска сигналка начала процедуру старта - и тут приборка не загорелась, и не завела авто, даже крутить не стало. Словно как у меня в ручную. Затем прозвучал сигнал на брелке сигнализации что двс остановлен. При повторной автоматической попытке, приборка уже загорелась и запуск произошел успешно.
Лог "контактов" с БУ. Немного не понимаю что имеется ввиду.
Резюме за вечер:
От нормального поведения ситуация отличается лишь:
1. Отсутствие индикации на панели приборов.
2. Нет запуска двс.
3. Нет связи по кан-шине.
Все остальное ведет себя как обычно. при включении зажигания - работает климат, стекла, магнитола и т.д. Индикация на кнопке, разблокировка руля и т.д.
Что планирую сделать утром:
1. Еду до того кто ставил эту сигнализацию и попрошу схему подключения Pandora DXL.
- Marcinkevich
- Сообщения: 303
- Зарегистрирован: 05 янв 2016, 18:31
- Откуда: Ханты-Мансийск
Re: Toyota RAV4 2012 нет запуска
13 - зеленый = 0.05В*
Действительно, есть повод за что "зацепиться". Тогда начну с этого.
Стоит DXL3700, в ней еще и радиореле есть) И в спутниковой еще парочка таких есть... В общем чую что придется выдирать это безобразие и бороться с нормальным автомобилем.
Действительно, есть повод за что "зацепиться". Тогда начну с этого.
Стоит DXL3700, в ней еще и радиореле есть) И в спутниковой еще парочка таких есть... В общем чую что придется выдирать это безобразие и бороться с нормальным автомобилем.
- Marcinkevich
- Сообщения: 303
- Зарегистрирован: 05 янв 2016, 18:31
- Откуда: Ханты-Мансийск
Re: Toyota RAV4 2012 нет запуска
Разобрался! Не до конца конечно, но авто завелось.
Коротко: спутниковая сигнализация заблокировала запуск путем не включения одного из реле. Причина пока не ясна. Но авторы сигнализации Кобра сказали что потеряли автомобиль с экрана 3 недели назад (хотя после этого все работало, до сего момента). А хозяин ездил как ни в чем не бывало.
Сигнализация Пандора могла заводить автомобиль т.е. включать это реле блокировки напрямую подавая управляющий минус. Глядя на всю эту гадость сделанную "двоешниками" в плане аккуратности исполнения было принято демонтировать данную сигнализацию, но позже. Нужно будет оставлять автомобиль на долгое время, так как может быть много подводных камней в виде тех же самых радиореле разрыва цепей и т.д.
Причина отказа: выяснится позже, но очень похоже, что это связано с повышением цен на колбасу в магазинах. Ведь кушать хотят все, в том числе производители спутниковых сигнализации.
Коротко: спутниковая сигнализация заблокировала запуск путем не включения одного из реле. Причина пока не ясна. Но авторы сигнализации Кобра сказали что потеряли автомобиль с экрана 3 недели назад (хотя после этого все работало, до сего момента). А хозяин ездил как ни в чем не бывало.
Сигнализация Пандора могла заводить автомобиль т.е. включать это реле блокировки напрямую подавая управляющий минус. Глядя на всю эту гадость сделанную "двоешниками" в плане аккуратности исполнения было принято демонтировать данную сигнализацию, но позже. Нужно будет оставлять автомобиль на долгое время, так как может быть много подводных камней в виде тех же самых радиореле разрыва цепей и т.д.
Причина отказа: выяснится позже, но очень похоже, что это связано с повышением цен на колбасу в магазинах. Ведь кушать хотят все, в том числе производители спутниковых сигнализации.
- Marcinkevich
- Сообщения: 303
- Зарегистрирован: 05 янв 2016, 18:31
- Откуда: Ханты-Мансийск
Re: Toyota RAV4 2012 нет запуска
Выражаю всем огромную признательность за подсказки! Ввиду незнания систем сигнализации и отсутствия точной информации тяжело работать с такими случаями. Тем не менее результат есть, автомобиль уехал. Самое интересное то, что завтра на очереди тоже Тойота с такими же охранными системами. Только глюки носят непостоянный характер. Так сказать Stage 2 для диагноста...
