4Runner 3vze 6цил 3.0L паралельный впрыск 95г
Волею судеб приехала АМ к которой можно подключиться сканером CarTesterByChem407 при замыкании Te1 и Te2.
(уже достаточно редки, а раньше, как то обычно, вольтметром это делалось)
Авто только куплено, покрашено и тд, у хозяина притензий к авто нет, (пока).
неисправностей нет (по О2 их всего две 25-26, пост. низк или высокий)
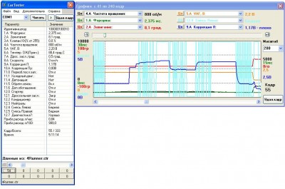
При первоначальном подключении обнаружено, что коррекция на ХХ постоянно висит в -11% -12%
Время было, поснимал "все подряд". (Мож. пригодится)
в CarTester выбора такого дв-ля нет, по этому
Расходомер (лопата с потенсометром VAF вольты, на хх соответствует мануалу)
Одновременно те же параметры были "сняты" осциллом. (масса осциллограмма-масса двигателя)
Некие расхождения обнаружены. (Там видимо L-тип)
Vf1 на ХХ сканер коррекция(-10% 1.2В) ---- осциллоскоп 0.54Мв (при обеднении max, примерно соответствует 3.2-3.6).
Форсунки сканер 2.37 мах 2.25 min ---- осциллоскоп 2.75 max 2.58 min
(просто, на сколько это критично и соответствует действительности)
Клиенту указанно на возможный повышенный расход.
На что получен ответ, что оный, еще не был "ощущен" в денежном эквиваленте.
С тем и отпущен.
TOYOTA 4Runner 3vze -- Vf1
Модератор: alflash
Re: TOYOTA 4Runner 3vze -- Vf1
Забыл архивчик.
- Вложения
-
- 3vze.rar
- (309.07 КБ) 640 скачиваний
"Понедельник начинается в Субботу"
А. и Б. Стругатские
А. и Б. Стругатские
Re: TOYOTA 4Runner 3vze -- Vf1
На основании чего сделан такой вывод (указание)?VVA писал(а):4Runner 3vze 6цил 3.0L паралельный впрыск 95г...
Клиенту указано на возможный повышенный расход.
Re: TOYOTA 4Runner 3vze -- Vf1
Клиенту такой вывод сделан на основании того, что диагностику он не заказывал и что
с АМ все нормально. Единственный вопрос был; нет ли у меня "магнитного клея" что бы приклеить отошедшую табличкуV6 3.0 EFI, которая сделана из специального материала, способствующая правильному смесеобразованию, ну и "что ты там намерил?"
(чтоб не расслаблялся)
Для себя же я сделал вывод ,то : В данный момент смесь "нормальная" но топливокорекции
"перевалили" за -10 и есть повод задуматься, чем это вызвано. Те. пока все "регулируется" но если
дефект прогрессирует и ведет себя под на разных режимах несоответственно, то возможно в будующем перестанет с кодом 26.
Тем более имеется тенденция к частому "скидыванию" АКБ и пред EFI и считыванию неисправностей.
Так как цель подключения к АМ была , все таки проверка адаптера с переходником USB-COM (предыдущий работал "через раз") и работа с прогой на соотв. записанных параметров и адекватному их восприятию.
При детальном рассмотрении параметров обнаружена некая поспешность в заявлении
на пример
Возникло "непреодолимое желание" проверить, что же там не так.(ну то, что влияет на отр. топливокоррекцию).
Случай предоставился (приехал на замену з.заднего стопа).
В итоге (пока меняли фонарь)
VAF снят-прдут "обводной канал" (хорошо , что заводская пломба не сорвана) вылетела "кучка мусора"
после установки ХХ прежние VAF 2.35В стало -7%, обнаружено снятие пластиковой крышки потенсометра
(аккуратно посажена на практ. заводской герметик, разбирать не стал) видимо подгибали пружину
или меняли потенсометр, наверное там еще -1,5-2%.
INJ хол.старта пережата подача 0.5-1% (косвенное подтверждение,показалось?,
что форс. чуть льют более длительный старт на "горячую")
EVAP к баку забита, не влияет. (указано, что бы смотрел, как бы бак не сплющило)
К сож. не успел давление перемерить в прошлый раз было ХХ прим 2.7-2.8 (2.3-2.6) но врят ли это критично.
Может , что еще упустил или сделал не правильно.
С Уважением.
с АМ все нормально. Единственный вопрос был; нет ли у меня "магнитного клея" что бы приклеить отошедшую табличкуV6 3.0 EFI, которая сделана из специального материала, способствующая правильному смесеобразованию, ну и "что ты там намерил?"
(чтоб не расслаблялся)
Для себя же я сделал вывод ,то : В данный момент смесь "нормальная" но топливокорекции
"перевалили" за -10 и есть повод задуматься, чем это вызвано. Те. пока все "регулируется" но если
дефект прогрессирует и ведет себя под на разных режимах несоответственно, то возможно в будующем перестанет с кодом 26.
Тем более имеется тенденция к частому "скидыванию" АКБ и пред EFI и считыванию неисправностей.
Так как цель подключения к АМ была , все таки проверка адаптера с переходником USB-COM (предыдущий работал "через раз") и работа с прогой на соотв. записанных параметров и адекватному их восприятию.
При детальном рассмотрении параметров обнаружена некая поспешность в заявлении
на пример
иРасходомер (лопата с потенсометром VAF вольты, на хх соответствует мануалу)
Да, они вроде бы в норме, но в самом "граничном" пределе. VAF 2.2V (2.2-3.2) INJ 2.25 на ХХ2.37 мах 2.25 min
Возникло "непреодолимое желание" проверить, что же там не так.(ну то, что влияет на отр. топливокоррекцию).
Случай предоставился (приехал на замену з.заднего стопа).
В итоге (пока меняли фонарь)
VAF снят-прдут "обводной канал" (хорошо , что заводская пломба не сорвана) вылетела "кучка мусора"
после установки ХХ прежние VAF 2.35В стало -7%, обнаружено снятие пластиковой крышки потенсометра
(аккуратно посажена на практ. заводской герметик, разбирать не стал) видимо подгибали пружину
или меняли потенсометр, наверное там еще -1,5-2%.
INJ хол.старта пережата подача 0.5-1% (косвенное подтверждение,показалось?,
что форс. чуть льют более длительный старт на "горячую")
EVAP к баку забита, не влияет. (указано, что бы смотрел, как бы бак не сплющило)
К сож. не успел давление перемерить в прошлый раз было ХХ прим 2.7-2.8 (2.3-2.6) но врят ли это критично.
Может , что еще упустил или сделал не правильно.
С Уважением.
"Понедельник начинается в Субботу"
А. и Б. Стругатские
А. и Б. Стругатские
