Nissan Sunny B12-1986г датчик трамблёра

Модератор: alflash

vadimf
Сообщения: 111
Зарегистрирован: 25 фев 2016, 23:29

Nissan Sunny B12-1986г датчик трамблёра

Сообщение vadimf »

Здравствуйте, на данном авто неисправен датчик холла. С датчика сигнал выходит только с внутренних насечек пластины с наружных насечек сигнала нет. У кого есть опыт в реставрации такого датчика?
Вложения
20170228_184110.jpg
Аватара пользователя
nazar
Сообщения: 172
Зарегистрирован: 08 апр 2011, 15:18
Откуда: г .Донецк

Re: Nissan Sunny B12-1996г датчик холла.

Сообщение nazar »

Так там фото,а не холла
Вложения
foto.gif
Аватара пользователя
alflash
Сообщения: 4025
Зарегистрирован: 18 фев 2007, 21:46
Откуда: Одесса
Контактная информация:

Re: Nissan Sunny B12-1986г датчик трамблёра

Сообщение alflash »

Поскольку датчик залит весьма твердым компаундом, то я бы поставил датчик из этого трамблёра
Изображение
или попытался бы втулить оптопару из подходящей мышки или купить в магазине.

Год выпуска авто 1996 или 1986 ?
vadimf
Сообщения: 111
Зарегистрирован: 25 фев 2016, 23:29

Re: Nissan Sunny B12-1996г датчик холла.

Сообщение vadimf »

Светодиоды живые, смотрел через сотку)). Фото диод, чем можно заменить?
Вложения
20170301_095246.jpg
20170301_095929.jpg
20170301_101046.jpg
20170301_102427.jpg
Аватара пользователя
alflash
Сообщения: 4025
Зарегистрирован: 18 фев 2007, 21:46
Откуда: Одесса
Контактная информация:

Re: Nissan Sunny B12-1986г датчик холла.

Сообщение alflash »

В первом приближении фото-диодом из мышки.
Фото:
20170301_114133.jpg
Или купить в ближайшем магазине радиотоваров.

В моём трамблёра три оптопары и похоже, инфракрасные.
20170301_144058.jpg
А в самой схеме используется такой симпатичный счетверённый компаратор HA17901G
vadimf
Сообщения: 111
Зарегистрирован: 25 фев 2016, 23:29

Re: Nissan Sunny B12-1996г датчик трамблёра

Сообщение vadimf »

В продолжение темы.
Машина стоит на территории, датчик нашли и заказали на следующей недели привезут.
vadimf
Сообщения: 111
Зарегистрирован: 25 фев 2016, 23:29

Re: Nissan Sunny B12-1996г датчик трамблёра

Сообщение vadimf »

Привезли датчик. Импульсы появились, а первички нет. На фото транзистор под номером 6011? Усилитель умпульса на катушку? Осциллограмма в файле.
Вложения
20170307_153923.jpg
vadimf
Сообщения: 111
Зарегистрирован: 25 фев 2016, 23:29

Re: Nissan Sunny B12-1996г датчик трамблёра

Сообщение vadimf »

Осциллограмма.
Вложения
Sunny.rar
(1.66 МБ) 969 скачиваний
Mеханик
Сообщения: 95
Зарегистрирован: 22 дек 2011, 02:20

Re: Nissan Sunny B12-1996г датчик трамблёра

Сообщение Mеханик »

vadimf писал(а):Усилитель умпульса на катушку?
Это колхоз, а не усилитель.Сегодня делал Примьеру с мотором SR20, с таким трамблером,пропадал сигнал с датчика оборотов,поставили БУ, а усилитель там Lucas 84987,есть в продаже весьма не дорого.
Аватара пользователя
alflash
Сообщения: 4025
Зарегистрирован: 18 фев 2007, 21:46
Откуда: Одесса
Контактная информация:

Re: Nissan Sunny B12-1996г датчик трамблёра

Сообщение alflash »

vadimf писал(а):Привезли датчик. Импульсы появились, а первички нет. На фото транзистор под номером 6011? Усилитель умпульса на катушку? Осциллограмма в файле.
Возможно это вынужденный апгрейд power transistror (https://www.google.com.ua/search?q=niss ... MQ_AUIBigB)
Попрjбуйте приладить, например, такой http://www.onsemi.ru.com/PowerSolutions ... 3055-D.PDF
Изображение
vadimf
Сообщения: 111
Зарегистрирован: 25 фев 2016, 23:29

Re: Nissan Sunny B12-1996г датчик трамблёра

Сообщение vadimf »

Спасибо, буду искать аналоги вроде как кт 818 и 825 подходят.
Аватара пользователя
alflash
Сообщения: 4025
Зарегистрирован: 18 фев 2007, 21:46
Откуда: Одесса
Контактная информация:

Re: Nissan Sunny B12-1986г датчик трамблёра

Сообщение alflash »

КТ818 может не подойти из-за относительно малого коэффициента усиления по току.
vadimf
Сообщения: 111
Зарегистрирован: 25 фев 2016, 23:29

Re: Nissan Sunny B12-1996г датчик трамблёра

Сообщение vadimf »

У меня вопрос по транзистору, какой все таки нужен p-n-p или n-p-n? Я на заморском форуме нашел схему, там показан n-p-n и эмиттер на массе. В моем случае коллектор на массе, или встречаются транзисторы с эмиттером на корпусе?
В общем запутался я немного.
Вложения
19-S14DistPolarity.jpg
Аватара пользователя
alflash
Сообщения: 4025
Зарегистрирован: 18 фев 2007, 21:46
Откуда: Одесса
Контактная информация:

Re: Nissan Sunny B12-1986г датчик трамблёра

Сообщение alflash »

С эмиттером на корпусе никогда не встречал.
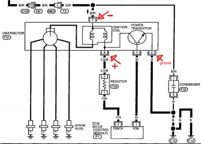
Тип проводимости надо посмотреть в мануале этого авто.
Например, в таком
Изображение
Кроме этого, определится можно по форме напряжения управления на его базе. Если есть такая осциллограмму, покажите её скрин.
Тот транзистор целый?
vadimf
Сообщения: 111
Зарегистрирован: 25 фев 2016, 23:29

Re: Nissan Sunny B12-1996г датчик трамблёра

Сообщение vadimf »

Мануал я так и не нашел на него, транзистор неисправен коллектор и эммитер звониться.
На скрине 3 канал база.
Вложения
3-база.png
vadimf
Сообщения: 111
Зарегистрирован: 25 фев 2016, 23:29

Re: Nissan Sunny B12-1996г датчик трамблёра

Сообщение vadimf »

5 канал выход с транзистора.
Аватара пользователя
alflash
Сообщения: 4025
Зарегистрирован: 18 фев 2007, 21:46
Откуда: Одесса
Контактная информация:

Re: Nissan Sunny B12-1986г датчик трамблёра

Сообщение alflash »

Только что проверил на исправном PRW-IA 0403.
По всем признакам там n-p-n транзистор. Его выводы не соединены с корпусом.
Если интересно, могу сделать его вскрытие ;)

Для "проверить" подключите какой-нибудь простенький кт315 и нагрузите его чем-то, хоть СД. И проверьте, что у него делается на коллекторе.
А после уже ставьте, например, кт827.
Но обязательно крепление на радиатор через диэлектрическую теплопроводящую прокладку из бериллиевой керамики и оградите его корпус от касания снаружи.
vadimf
Сообщения: 111
Зарегистрирован: 25 фев 2016, 23:29

Re: Nissan Sunny B12-1996г датчик трамблёра

Сообщение vadimf »

Спасибо, дождусь транзистор и все проверю. Вскрывать не надо :).
Закрыто