Сделать стенд для бензиновых форсунок

Имеем то, что умеем

Модератор: alflash

Аватара пользователя
alflash
Сообщения: 4027
Зарегистрирован: 18 фев 2007, 21:46
Откуда: Одесса
Контактная информация:

Re: Почему перегорают светодиоды?

Сообщение alflash »

Видимо причина в том, что величина "выбросов" напряжения самоиндукции (обратной полярности) намного больше допустимого порога (http://ydoma.info/datashit/led/508/led-508h184wc.pdf)
inj.gif
Стоит попробовать защитить СД паралельным им включением защитных диодов.

+ возможно, что для "подсветки" стоит применить более мощные (более "яркие") светодиоды. Например, http://foton.ua/upload/datasheet/1w/1W% ... %20LED.pdf
Аватара пользователя
alflash
Сообщения: 4027
Зарегистрирован: 18 фев 2007, 21:46
Откуда: Одесса
Контактная информация:

Re: Сделать стенд для бензиновых форсунок

Сообщение alflash »

Можно взглянуть на фото конструкции вашего стенда для бензиновых форсунок?
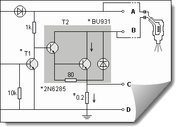
Если предыдущая осциллограмма напряжения управления форсункой при такой схеме драйвера как в viewtopic.php?f=8&t=1030#p8148, то добавьте "защитный" диод между т.A и B (т.е. параллельно форсункам).
savus
Сообщения: 33
Зарегистрирован: 08 сен 2015, 21:19

Re: Сделать стенд для бензиновых форсунок

Сообщение savus »

Стенд сфотографирую и выложу.
Подскажите пожалуйста, какой поставить диод...

Я сейчас поставил диод между точками А и В, всё заработало. Светодиоды не перегорают. Какой это диод, не знаю.
Большое спасибо. И всё же, подскажите, какой лучше поставить диод.
Спасибо.
Аватара пользователя
alflash
Сообщения: 4027
Зарегистрирован: 18 фев 2007, 21:46
Откуда: Одесса
Контактная информация:

Re: Сделать стенд для бензиновых форсунок

Сообщение alflash »

Ок.
В первом приближении, можно применить любые импульсные диоды.
Например, КД509А, 510А, КД513A и т.п.
savus
Сообщения: 33
Зарегистрирован: 08 сен 2015, 21:19

Re: Сделать стенд для бензиновых форсунок

Сообщение savus »

Здравствуйте. Завершил второй этап создания стенда для форсунок. Хоть и не так быстро, как хотелось бы. Первый этап, создание драйвера управления стендом. Второй этап, создание стенда, который сначала запустили от бензонасоса. И третий этап, будет работа стенда от сжатого воздуха.
Какие возникали вопросы в ходе сборки драйвера? Т.к. это был мой первый опыт с паяльником в руках, то в ходе сборки выявился такой нюанс, как припаять выводы к микросхеме. Так как я пользовался перфорированной платой, я вставил ножки микросхемы в отверстия, припаял эти ножки к плате, а к ножкам, с внутренней стороны платы, припаял тонкие проводки, обратные стороны которых припаивал уже к другим радиодеталям. Это очень не удобно, потому что ножки микросхемы очень близко стоят друг к другу. Приходилось изловчаться. Проще будет сделать отводы в разные стороны, только не под прямыми углами к микросхеме, а как бы лучиками равномерно в разные стороны, примерно 6-7 мм. А к ним потом припаивать проводки, разводить к другим радиодеталям.
Корпус для драйвера я сделал из пластикового контейнера, которые продают в хозяйственных магазинах, только брать лучше всего на защелках, и средней высоты, не высокие, не низкие, что бы выводы контактов, на передней и задней стенке были симметричны по высоте и не мешали плате. На фото всё это хорошо видно.
По стробоскопу. Светодиоды использовал 3,5 В. К каждому светодиоду припаивал резистор на 1 кОм. Что бы светодиоды не перегорали от выбросов напряжения форсунки, по совету Владимира Петровича, в драйвере, между точками А и В, впаял диод КД509А.
По стенду. Рампу поставил от мотора для Газели ЗМЗ 406, с защёлками – фиксаторами форсунок. Очень удобно. На этом пока всё. Теперь буду доделывать подачу жидкости сжатым воздухом.

Изображение,Изображение,Изображение,Изображение
http://alflash.com.ua/Wynns/175526.jpg, http://alflash.com.ua/Wynns/175849.jpg, http://alflash.com.ua/Wynns/175912.jpg, http://alflash.com.ua/Wynns/180004.jpg
Аватара пользователя
alflash
Сообщения: 4027
Зарегистрирован: 18 фев 2007, 21:46
Откуда: Одесса
Контактная информация:

Re: Сделать стенд для бензиновых форсунок

Сообщение alflash »

Ок, результативной работы!

Плиз, поясните как именно форсунки фиксируются в рампе и, если можно, фотки их фиксатора.
savus
Сообщения: 33
Зарегистрирован: 08 сен 2015, 21:19

Re: Сделать стенд для бензиновых форсунок

Сообщение savus »

Сфотографировать смогу только в выходной день, я уехал в командировку
VVA
Сообщения: 195
Зарегистрирован: 26 ноя 2015, 02:24
Откуда: Москва

Re: Сделать стенд для бензиновых форсунок

Сообщение VVA »

Две копейки вставлю.
Фоток нет. Машины разные и форсунки тоже, по этому у меня 3 рампы(с фиксаторами, "прижимами-общая рейка" снизу). Разъемы тоже разные, по этому контакты просто "мамы".
С подсветкой только не очень получается, то в глаза бьет, то не очень подсвечивает, особенно когда колбы снаружи
"не очень " чистые.
"Понедельник начинается в Субботу"
А. и Б. Стругатские
Аватара пользователя
alflash
Сообщения: 4027
Зарегистрирован: 18 фев 2007, 21:46
Откуда: Одесса
Контактная информация:

Re: Сделать стенд для бензиновых форсунок

Сообщение alflash »

VVA писал(а):...С подсветкой только не очень получается, то в глаза бьет, то не очень подсвечивает, особенно когда колбы снаружи "не очень " чистые.
Возможно для СД "стробоскопа" стоит использовать узконаправленные сверх яркие светодиоды повышенной яркости и управлять ими отдельным таймером (с внешней синхронизаций от сигнала основного).
Это позволит подбирать нужную ярокость свечения СД, установленных как-бы "вдоль" измерительных стаканов/цилиндов.
VVA
Сообщения: 195
Зарегистрирован: 26 ноя 2015, 02:24
Откуда: Москва

Re: Сделать стенд для бензиновых форсунок

Сообщение VVA »

Я просто взял остатки "ленты", наклеил вдоль на "уголок" как бы под "козырек", и расположил за рампой (что бы в глаза не било) и направил чуть вниз. И получается "козырек" уголка и рампа прямой свет в глаза "перебивает".

Лента не совсем та. Просто в малярке делал, осталась. Я маляру сделал все на "лентах" 12в (герметичных), что бы спокойно мог мыть всю малярку "керхером" ни о чем не думая. И свет "теплый белый".
Время будет стенд переделаю.
"Понедельник начинается в Субботу"
А. и Б. Стругатские
savus
Сообщения: 33
Зарегистрирован: 08 сен 2015, 21:19

Re: Сделать стенд для бензиновых форсунок

Сообщение savus »

Здравствуйте. Как и обещал, выкладываю фотографии защёлок для форсунок. Извените, что так долго, всё сделал при первой же возможности. Рампа от Газелевского двигателя ЗМЗ 406, а защелки Вазовские. Хотя эта рампа продаётся уже в комплекте с защёлками, мне Вазовские понравились больше, то есть, удобнее.
20160308_102106.JPG
Аватара пользователя
alflash
Сообщения: 4027
Зарегистрирован: 18 фев 2007, 21:46
Откуда: Одесса
Контактная информация:

Re: Сделать стенд для бензиновых форсунок

Сообщение alflash »

А как быть с форсунками более привычной конструкции?
0593.jpg
Очистка форсунок без их снятия
savus
Сообщения: 33
Зарегистрирован: 08 сен 2015, 21:19

Re: Сделать стенд для бензиновых форсунок

Сообщение savus »

"Будет новый день, будет новая пища". Прижму планкой. На данный момент мне необходимы эти...
Аватара пользователя
admin
Admin
Сообщения: 360
Зарегистрирован: 18 фев 2007, 15:37
Контактная информация:

Re: Сделать стенд для бензиновых форсунок

Сообщение admin »

savus писал(а):"Будет новый день, будет новая пища". Прижму планкой. На данный момент мне необходимы эти...
А как же насчёт "Готовь сани летом!" ? :D
Какой диаметр "хвостовика" у ваших форсунок? У тех. что на фото 10.5 мм

Off.
tr.gif
tr.gif (8.02 КБ) 68086 просмотров
alfa
Сообщения: 512
Зарегистрирован: 09 сен 2015, 22:40

Re: Сделать стенд для бензиновых форсунок

Сообщение alfa »

Я когда то делал стенды, и обязательно рампы изготовлялись специально для мытья с обратной стороны. У меня был двухконтурный.По стенда есть наработки.
Изображение
Это последний,довоенный.
savus
Сообщения: 33
Зарегистрирован: 08 сен 2015, 21:19

Re: Сделать стенд для бензиновых форсунок

Сообщение savus »

На счет саней, Вы правы. Этот стенд первый, пробный, обкаточный. Далее будет изготавливаться другой. Альфа, Вы можете подробнее рассказать о этом стенде, если можно, дайте пожалуйста размеры и точные данные. Сейчас мне легче и быстрее скопировать, чем что то создавать. Если можно, поделитесь пожалуйста Вашим богатым опытом. Спасибо.
alfa
Сообщения: 512
Зарегистрирован: 09 сен 2015, 22:40

Re: Сделать стенд для бензиновых форсунок

Сообщение alfa »

Размеров к сожалению нет. Всё произвольно,но с учётом под определённый мозг, длину рампы, питание и кол-во контуров. Картинки изготовления и кое какие размеры есть у Вышиваного Владимира на форуме, там одна из база по самодельным стендам, и свои творения иногда дублировал на млабе. Если не против, то дам ссылки.
savus
Сообщения: 33
Зарегистрирован: 08 сен 2015, 21:19

Re: Сделать стенд для бензиновых форсунок

Сообщение savus »

Да, дайте пожалуйста
Ответить